CN

Stock Code:800328

QINGDAO JIAEN SEMICONDUCTOR CO., LTD

  • CHINESE ETCHING TOOLS GIANT AMEC SEES 2023 SALES RISE MORE THAN 30% ON STRONG DEMAND FROM MAINLAND SEMICONDUCTOR FABS
    2024.01.16

    CHINESE ETCHING TOOLS GIANT AMEC SEES 2023 SALES RISE MORE THAN 30% ON STRONG DEMAND FROM MAINLAND SEMICONDUCTOR FABS

    Shanghai-based AMEC expects its 2023 revenue to reach US$879 million, up 32.1 per cent from the previous year, on the back of strong domestic orders The company said sales of its core etching tools will account for 75 per cent of its total revenue last year

    VIEW MORE+
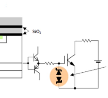
  • GATE DRIVER OF IGBT MODULE
    2024.01.10

    GATE DRIVER OF IGBT MODULE

    Rated gate drive voltage: When a voltage exceeding this range is applied to the gate drive voltage within the ±20V range, the oxide film (SiO2) between the gate and the emitter may suffer insulation damage or cause a decrease in reliability.

    VIEW MORE+
  • IGBT MODULE RELIABILITY EXPERIENCE SHARING
    2024.01.03

    IGBT MODULE RELIABILITY EXPERIENCE SHARING

    With the rise of emerging applications such as wind power generation, smart grid construction, electric vehicles, and high-voltage inverters, high-power IGBT modules are increasingly used. Correspondingly, the importance of IGBT reliability in high-power power supply design is increasing day by day. . System reliability has become one of the most important design indicators. The reliability of high-power switching devices is a top priority.

    VIEW MORE+
  • Happy New Year 2024
    2023.12.29

    Happy New Year 2024

    Happy new year !!!!!!!!Many thanks for your continuous support and understanding throughout the year.

    VIEW MORE+
  • DETAILED EXPLANATION OF IGBT MODULE PARAMETERS-NTC THERMISTOR
    2023.12.26

    DETAILED EXPLANATION OF IGBT MODULE PARAMETERS-NTC THERMISTOR

    IGBT junction temperature is one of the most important parameters of power electronic devices. It is very difficult to measure this temperature during operation of the device. One method is to approximately estimate the temperature of the chip in its stable operating state by using the NTC (thermistor) inside the IGBT module. This method is not suitable for measuring rapidly changing IGBT temperatures.

    VIEW MORE+
  • THE DIFFERENCE BETWEEN IGBT SINGLE TUBE AND IGBT MODULE
    2023.12.13

    THE DIFFERENCE BETWEEN IGBT SINGLE TUBE AND IGBT MODULE

    The most common form of IGBT is actually a module, not a single tube.

    VIEW MORE+

+86 13792436358